Diana 50

No importa que sea una pistola de aire, un revólver de aire o una carabina de aire: ¡entra y cuéntanoslo!
Avatar de Usuario
manolosolo
.50 Bmg
.50 Bmg
Mensajes: 17996
Registrado: 02 Ene 2009 06:01
Ubicación: Galicia
Contactar:
Estado: Desconectado

Diana 50

Mensajepor manolosolo » 15 Ene 2020 21:36

Un compañero me ha enviado para hacer un mantenimiento, una carabina clásica alemana, como la mítica Diana 50, una de las carabinas mas estilizadas que se han fabricado, quizás recordando la figura de su clásico fusil de cerrojo Mauser 98.
Se empezó a fabricar en el año 1952, hasta el año 1965, que evoluciono al modelo T01, fabricándose sin modificaciones casi hasta los años 90, o sea, mas de 4 décadas.
La carabina en cuestión, es un modelo de cañón fijo, de carga por palanca inferior, oculta por la culata, y un sistema giratorio de carga del balin, metes el balin hacia abajo, giras la palanca de carga, y el balin ya se enfrenta al cañón.
No posee ningún tipo de seguro, y queda todo supeditado a la habilidad y pericia del tirador, o sea, no apretar el gatillo con la palanca sin cerrar...........
Este modelo, es de los primeros, puede tener alrededor de "solo" cerca de unos 70 años, casi nada, y salvo rastros evidentes de que la carabina ha estado olvidada a su suerte durante una larga temporada encima de un armario, pues incluso vino con algún rastro de pintura de pared en la culata, su estado es muy bueno.
Se habla mucho de calidad en tal o cual carabina domestica, pero cuando ves una cámara mecanizada y vaciada en su totalidad, hecha de una pieza maciza de acero, que es el cuerpo de la carabina, sus ajustes superlativos, y un disparador de hace 70 años, de aquellas ya con un sistema de cojinete de bolas, te da que pensar, cuando ahora incluso siguen con un hierro curvado, y unido directamente al pistón.........
Su desmontaje, sin llegar al nivel de dificultad extrema, como el modelo 75, tampoco es muy fácil que digamos, y ya de buenas a primeras, tienes que fabricarte un útil adecuado para simplemente sacar la culata, pues uno de los dos tornillos que la sujetan al cuerpo, es también el eje de la palanca de carga, y si no conoces los pasos de desmontaje, es muy fácil que te rompa el disparador, de plástico en este modelo.....
Una foto del plano de despiece, y otra del arma.
Espero que os guste, como a mi, esos hierros antiguos, de calidad insuperable, hechos a conciencia, para durar varias vidas, y que nunca jamas volverán a ser fabricados.
Saludos.
:birra^:
Adjuntos
Un compañero me ha enviado para hacer un mantenimiento, una carabina clásica alemana, como la mítica Diana 00
Un compañero me ha enviado para hacer un mantenimiento, una carabina clásica alemana, como la mítica Diana 01
Un compañero me ha enviado para hacer un mantenimiento, una carabina clásica alemana, como la mítica Diana 02

Avatar de Usuario
manolosolo
.50 Bmg
.50 Bmg
Mensajes: 17996
Registrado: 02 Ene 2009 06:01
Ubicación: Galicia
Contactar:
Estado: Desconectado

Re: Diana 50

Mensajepor manolosolo » 15 Ene 2020 21:40

El arma, desmontada.
Su sello, es de cuero. El muelle, muy vencido y deformado, los años, no perdonan.........
Saludos.
Adjuntos
Un compañero me ha enviado para hacer un mantenimiento, una carabina clásica alemana, como la mítica Diana 10
Un compañero me ha enviado para hacer un mantenimiento, una carabina clásica alemana, como la mítica Diana 11

pcpfori
375 HH Magnum
375 HH Magnum
Mensajes: 3795
Registrado: 12 Jun 2012 00:13
Contactar:
Estado: Desconectado

Re: Diana 50

Mensajepor pcpfori » 15 Ene 2020 21:47

Un arma fantástica sin duda, bien construida e infravalorada muy a menudo, normalmente por desconocimiento.
Unas fotillos de la mía , conseguida gracias a un buen compañero y aficionado del foro.
Adjuntos
Un compañero me ha enviado para hacer un mantenimiento, una carabina clásica alemana, como la mítica Diana 20
Un compañero me ha enviado para hacer un mantenimiento, una carabina clásica alemana, como la mítica Diana 21

RAFAELMIN
375 HH Magnum
375 HH Magnum
Mensajes: 8344
Registrado: 25 Dic 2007 01:01
Contactar:
Estado: Desconectado

Re: Diana 50

Mensajepor RAFAELMIN » 15 Ene 2020 21:50

Increíble carabina Manolo!!

Y si se necesitan reemplazar alguna de las mil piezas que trae, que haces?? fabricar una ex profeso??

Debes disfrutar un montón con estas labores, complicadas pero gratificantes, feliz manualidad y ánimo!

Saludetes.

Avatar de Usuario
manolosolo
.50 Bmg
.50 Bmg
Mensajes: 17996
Registrado: 02 Ene 2009 06:01
Ubicación: Galicia
Contactar:
Estado: Desconectado

Re: Diana 50

Mensajepor manolosolo » 15 Ene 2020 21:52

Fory, ya sabia yo, que te iba a gustar............ :mrgreen:
La tuya es un modelo mas reciente, parece una T01, y sin el vaciado lateral en el guardamanos de la culata, como el del fusil de cerrojo del ejercito alemán, y se ve, como recién salida de la caja. Esta del compañero, quizás lo peor se lo lleve la culata, con algún que otro roce, y el barniz un tanto deteriorado con el abandono, y el paso de los años, pero cosa fácil de reparar............. :D
Saludos.
:birra^:

Avatar de Usuario
manolosolo
.50 Bmg
.50 Bmg
Mensajes: 17996
Registrado: 02 Ene 2009 06:01
Ubicación: Galicia
Contactar:
Estado: Desconectado

Re: Diana 50

Mensajepor manolosolo » 15 Ene 2020 21:55

Rafa, aunque parezca mentira, existen todos los repuestos importantes para esa carabina, y para el resto de marcas y modelos alemanes, sin mayor problema que pedirlos a una web alemana............. :D Se ha fabricado sin interrupcion durante 40 años..........
Saludos.

pcpfori
375 HH Magnum
375 HH Magnum
Mensajes: 3795
Registrado: 12 Jun 2012 00:13
Contactar:
Estado: Desconectado

Re: Diana 50

Mensajepor pcpfori » 15 Ene 2020 22:01

No está al 100% pero le di un buen repaso y la culata también la restauré manteniendo la máxima originalidad posible, restaurè el alza original que conservo y como tenía un diopter suelto de hw55 con un bloque alzador se lo coloqué me gustó mucho el resultado.
Es el segundo ejemplar que tengo, el anterior estaba incluso mejor pero un auténtico K-bron-ct que conoce mis debilidades me tentó con una Hw55 Tyro ,buf... Menudos dilemas!!!! Afortunadamente hoy los 2 tenemos Hw55 y D50.
Un Abrazo Leo.

JositoLeon
.44 Magnum
.44 Magnum
Mensajes: 228
Registrado: 26 Oct 2019 20:42
Contactar:
Estado: Desconectado

Re: Diana 50

Mensajepor JositoLeon » 15 Ene 2020 22:29

No os aburrís, no! Menudo despieze, se queda uno maravillaó viendo de lo que sois capaces.

Saludos.

Jose

fedello
375 HH Magnum
375 HH Magnum
Mensajes: 2545
Registrado: 04 Dic 2012 23:08
Contactar:
Estado: Desconectado

Re: Diana 50

Mensajepor fedello » 15 Ene 2020 22:35

A mi se me escapô una hace tres o cuatro años en milanuncios. Me he arrepentido mil veces.

Avatar de Usuario
manolosolo
.50 Bmg
.50 Bmg
Mensajes: 17996
Registrado: 02 Ene 2009 06:01
Ubicación: Galicia
Contactar:
Estado: Desconectado

Re: Diana 50

Mensajepor manolosolo » 15 Ene 2020 22:40

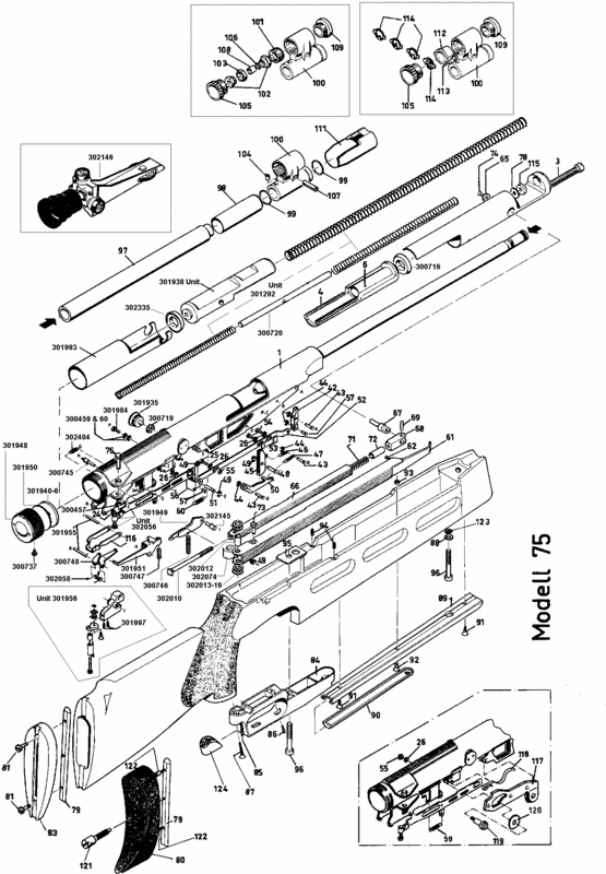
Esto si que es un verdadero despiece, la magnifica e inigualable Diana 75, de muy lejos, la carabina mas complicada que se pueda desmontar............ :mrgreen:
Saludos.
:birra^:
Adjuntos
Un compañero me ha enviado para hacer un mantenimiento, una carabina clásica alemana, como la mítica Diana 90
Un compañero me ha enviado para hacer un mantenimiento, una carabina clásica alemana, como la mítica Diana 91
Un compañero me ha enviado para hacer un mantenimiento, una carabina clásica alemana, como la mítica Diana 92

Avatar de Usuario
wolfi
Usuario Dado de Baja
Mensajes: 321
Registrado: 07 Ene 2018 16:23
Estado: Desconectado

Re: Diana 50

Mensajepor wolfi » 15 Ene 2020 22:45

Si tienes ganas de trabajar aqui https://www.naturabuy.fr/carabine-DIANA ... 46859.html una de las primeras casi regalada y otra sin trabajo https://www.naturabuy.fr/Diana-modele-5 ... 11010.html :birra^:
Última edición por wolfi el 15 Ene 2020 22:50, editado 1 vez en total.

Avatar de Usuario
manolosolo
.50 Bmg
.50 Bmg
Mensajes: 17996
Registrado: 02 Ene 2009 06:01
Ubicación: Galicia
Contactar:
Estado: Desconectado

Re: Diana 50

Mensajepor manolosolo » 15 Ene 2020 22:49

Hay una también en muy buen estado en Egun ahora mismo.............. :D
:birra^:

Avatar de Usuario
wolfi
Usuario Dado de Baja
Mensajes: 321
Registrado: 07 Ene 2018 16:23
Estado: Desconectado

Re: Diana 50

Mensajepor wolfi » 15 Ene 2020 22:51

La segunda mu buena :birra^:

pcpfori
375 HH Magnum
375 HH Magnum
Mensajes: 3795
Registrado: 12 Jun 2012 00:13
Contactar:
Estado: Desconectado

Re: Diana 50

Mensajepor pcpfori » 16 Ene 2020 12:48

Hola Manolo, se me olvidó comentarte un pequeño detalle, no se si vas a mantener el sello original de cuero o lo vas a sustituir por uno sintético actual, en lis dos casos es muy importante comprobar la altura total para que el pistón no se pase del fin de carrera y golpee la biela de armado puesto que la puede doblar e incluso llegar a romper el enganche, esto pasó en una hw50 que restarè para un compañero , debido a usarse mucho tiempo sin sustituir el sello , además de meterle un muelle mas contundente dobló la biela y tocaba contra el muelle, conozco algún caso de D35 que también le ha ocurrido.
Un saludo Manolo

Avatar de Usuario
manolosolo
.50 Bmg
.50 Bmg
Mensajes: 17996
Registrado: 02 Ene 2009 06:01
Ubicación: Galicia
Contactar:
Estado: Desconectado

Re: Diana 50

Mensajepor manolosolo » 16 Ene 2020 12:56

El sello, va a ser el original de cuero, y el muelle, el potente.
En realidad, y viendo el sello, ya con un montón de años encima, me dio la impresión, de ser bastante mas longevos que los de plástico, aunque harán mas dieseling, al tener que engrasarlos de vez en cuando.
Mediré cotas con calibre, para ver que todo quede como debe ser........ :D
Mil gracias por el consejo, y un cordial saludo para todos.
:birra^:

Gancha
.30-06
.30-06
Mensajes: 899
Registrado: 10 Jun 2019 00:08
Contactar:
Estado: Desconectado

Re: Diana 50

Mensajepor Gancha » 16 Ene 2020 19:24

Muy interesante, gracias por compartir, ¿a que potencia esta o va a estar esa D 50?.
Manolo, tu que eres muy buena persona... :D , ¿por que no preparas unos vídeos tutoriales para enseñarnos a reparar a la diosa 75?, seguro que muchos te estaremos muyyyy agradecidos, anímate hombre, saludos.

Avatar de Usuario
CesKa
.30-06
.30-06
Mensajes: 525
Registrado: 05 Dic 2008 11:01
Contactar:
Estado: Desconectado

Re: Diana 50

Mensajepor CesKa » 16 Ene 2020 19:44

Y yo tmb!!
Jaja

Avatar de Usuario
manolosolo
.50 Bmg
.50 Bmg
Mensajes: 17996
Registrado: 02 Ene 2009 06:01
Ubicación: Galicia
Contactar:
Estado: Desconectado

Re: Diana 50

Mensajepor manolosolo » 16 Ene 2020 19:45

Seria peor que soportar "Lo que el viento se llevo", en un cine, en pleno verano a 40º, y sin aire acondicionado........ :lol:
A mi, me lleva tranquilamente 3 horas, bien, solo destripar la Diana 75, y necesitas tener alguna herramienta especializada, como una llave de espigas para el tapón trasero, que viene apretado a huevo, porque con un útil de fabricación casera, seguramente va a resbalar, y como poco, marcar todo, y mellar el taladro, fabricar una tu mismo para los tapones laterales de los piñones, porque la distancia entre taladros es muy pequeña, también un huevo de apretados, y ultradelicados, una varilla de acero templado de unos 35 cm de largo, y 3,5 mm de diámetro, que hace de guía al muelle, para que el muelle pequeño interior, no se enganche con el exterior, que no das encontrado por ningún lado, y que ni con esas, pues a veces el muelle, bastante largo, se engancha igual, un compresor de muelles, un tornillo de banco, y una paciencia infinita, por eso esta el cenicero al lado, lleno de colillas, paro, y me echo un cigarrito............ :mrgreen:
La dificultad de desmontarla, solo es superada por el montaje, rezando para que no se giren los pistones de su sitio, y vayan entrando bien, porque si se han girado ligeramente, luego no entran los piñones, y es una pésima idea intentar girarlos con un destornillador desde el hueco de los piñones, que ya están bajo presión del muelle, porque te cargas fácilmente la fina rosca donde roscan los tapones laterales, o se enganchen los muelles, en fin, algo delicada, si que es, aparte, de que tiene dos ajustes fundamentales, que si no los sabes, la carabina carga, pero no disparara nunca, o lo hará sola, cerrándose la palanca de carga de golpe, o rompes los piñones, y los dientes de los pistones......... :(
Saludos.
Adjuntos
Un compañero me ha enviado para hacer un mantenimiento, una carabina clásica alemana, como la mítica Diana 170


Volver a “Armas de Aire”

¿Quién está conectado?

Usuarios navegando por este Foro: No hay usuarios registrados visitando el Foro y 114 invitados