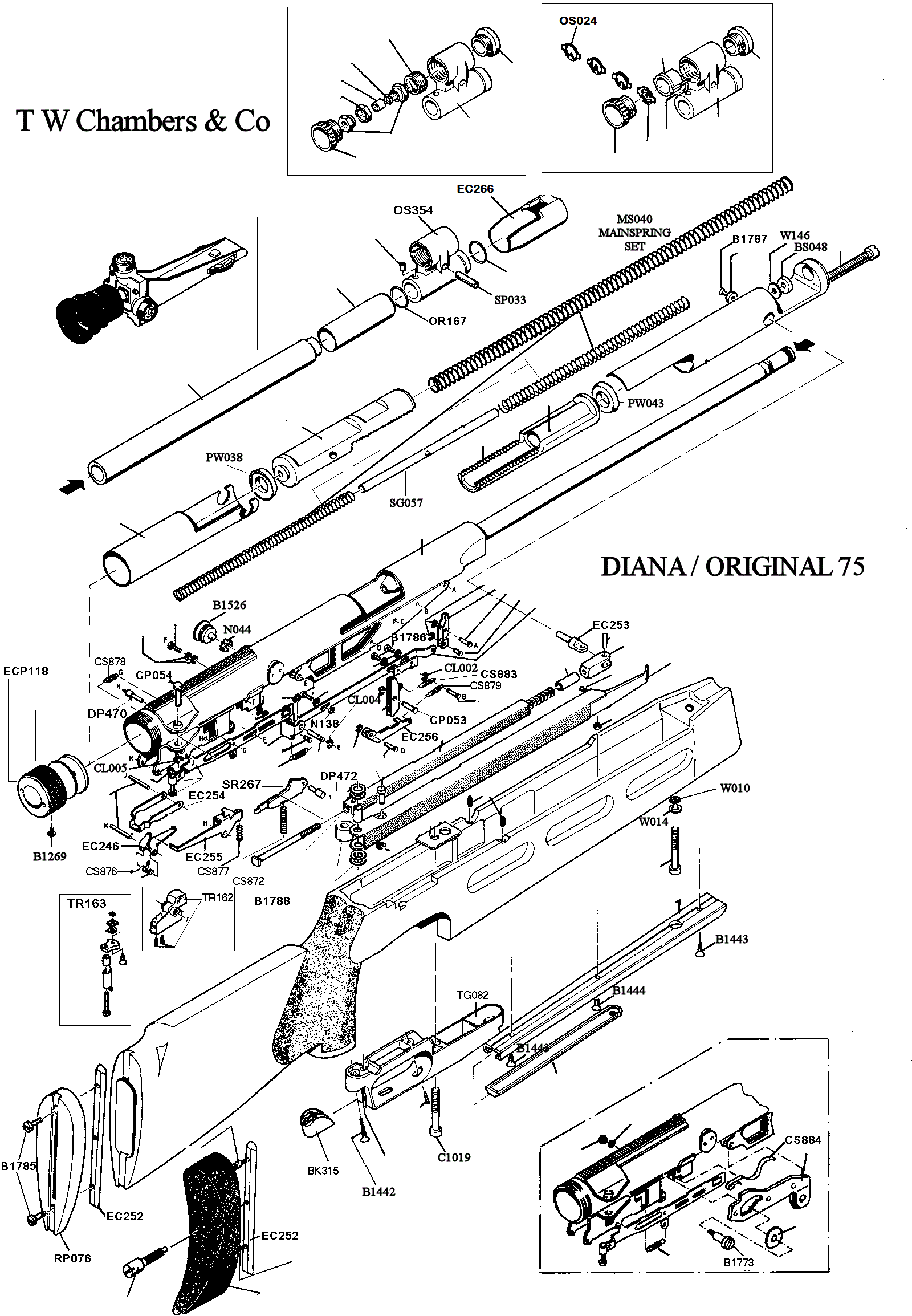
Este sistema lo utiliza Diana en varias de sus armas: carabinas 60, 70, 75 ; pistolas 6, 10.
Consiste en utilizar dos pistones que se mueven en sentidos opuestos de forma que la acción y retroceso de cada uno neutraliza a su contrapuesto con lo que se elimina retroceso y vibraciones.
El desplazamiento de los pistones está sincronizado por piñón y cremallera.
Me parece ingenioso y efectivo, pero no se si requerirá mas atención y mantenimiento que los sistemas clásicos de resorte mondo y lirondo coceante.
Me gusta y me convence mas que los sistemas de enrailado de Diana tipo la 54, creo. O sea como la Gamo Estatical o Statical que siguen teniendo retroceso en la parte móvil.
¿Esto es exclusivo de Diana o se lo copió a alguien?
¿Nadie se lo ha copiado a Diana?
¿Ni siquiera los chinos?
¿Hay mas marcas que lo hagan de forma similar?
Pistones contrapuestos sincronizados en resorteras
-
Abil
- .30-06

- Mensajes: 943
- Registrado: 08 Jun 2017 16:21
- Ubicación: Burgos. Entre Duero y Arlanza.
- Contactar:
- Estado: Desconectado
Re: Pistones contrapuestos sincronizados en resorteras
https://www.dropbox.com/referrer_cleans ... pot.com%2F
Por si no me entendéis en mi literatura mecánica.
Por si no me entendéis en mi literatura mecánica.
Re: Pistones contrapuestos sincronizados en resorteras
Creo que en la actualidad, no se hacen mas, las armas así.
En su día, eran las carabinas deportivas de clase olimpica. Aún se miran por las galerias, una vez que el bueno no tiene jamais el final determinado, y a algunos no les gustan las de pcp (que estan de moda).
Soy el feliz dueño de una Diana 75, y otra 65, comprada a un forero deste mismo foro. Que tiene siempre muy buenas armas para venta.
Lo miras en el topico de compra-venta, se lo quieras. Es una persona que sabe mucho del tema y con quien se aprende siempre.
En su día, eran las carabinas deportivas de clase olimpica. Aún se miran por las galerias, una vez que el bueno no tiene jamais el final determinado, y a algunos no les gustan las de pcp (que estan de moda).
Soy el feliz dueño de una Diana 75, y otra 65, comprada a un forero deste mismo foro. Que tiene siempre muy buenas armas para venta.
Lo miras en el topico de compra-venta, se lo quieras. Es una persona que sabe mucho del tema y con quien se aprende siempre.
- FoKingIrish
- .300 Win Mag

- Mensajes: 1170
- Registrado: 06 Feb 2017 21:42
- Contactar:
- Estado: Desconectado
Re: Pistones contrapuestos sincronizados en resorteras
Muy buenas, el sistema de muelles contrapuestos como bien comentas fue lo que le permitió alcanzar una gran fama a la magnífica Diana 75 y le llevó a competir por las primeras posiciones en la disciplina olímpica en la década de los 80.
Yo soy el propietario de una de estas y es una auténtica maravilla de ingeniería alemana... A día de hoy es uno de los modelos clásicos más cotizados por su extraordinaria precisión y su sensación de disparo.
Curiosamente has mencionado otro de los sistemas antiretroceso (de cañón flotante), como el que monta la Diana 54, que es una copia de la gran contrincante de la época de la Diana 75, la también aclamada Feinwerkbau 300s, que fue la pionera en utilizar este sistema.
También tengo una de estas en mi haber
y es otra maravilla.
A mí personalmente, me gusta más la sensación de disparo del sistema de muelles contrapuestos. Es más efectivo y la sensación de retroceso es absolutamente nula. Es como tirar con un pcp, pero de pistón.
Ahora dirás... Y como es posible que no se utilice más este sistema?
Pues la respuesta es sencilla... La gran complejidad del mecanismo. Todo lo que tiene de efectivo lo tiene de complejo, y esto hace que meterla mano sea todo un reto al alcance de pocos...
Por eso y solo por eso, este sistema ha pasado a la historia y sin embargo el de cañón flotante, a pesar de ser menos efectivo, se siga utilizando a día de hoy.
Yo soy el propietario de una de estas y es una auténtica maravilla de ingeniería alemana... A día de hoy es uno de los modelos clásicos más cotizados por su extraordinaria precisión y su sensación de disparo.
Curiosamente has mencionado otro de los sistemas antiretroceso (de cañón flotante), como el que monta la Diana 54, que es una copia de la gran contrincante de la época de la Diana 75, la también aclamada Feinwerkbau 300s, que fue la pionera en utilizar este sistema.
También tengo una de estas en mi haber
A mí personalmente, me gusta más la sensación de disparo del sistema de muelles contrapuestos. Es más efectivo y la sensación de retroceso es absolutamente nula. Es como tirar con un pcp, pero de pistón.
Ahora dirás... Y como es posible que no se utilice más este sistema?
Pues la respuesta es sencilla... La gran complejidad del mecanismo. Todo lo que tiene de efectivo lo tiene de complejo, y esto hace que meterla mano sea todo un reto al alcance de pocos...
Por eso y solo por eso, este sistema ha pasado a la historia y sin embargo el de cañón flotante, a pesar de ser menos efectivo, se siga utilizando a día de hoy.
***** Steyr LG 110 FT / Feinwerkbau 300s / Diana 75 / Anschütz 380 / Diana 56 th / Baikal mp-46m / Sightron siii 10-50x60 / Nikko Stirling Targetmaster 10-50x60 / Vector Optics Sentinel 10-40x50 *****
Re: Pistones contrapuestos sincronizados en resorteras
Hola, Air Arms ha tenido también su versión de absorción de retroceso por desplazamiento. Hay que distinguir estre los Dos sistemas puesto que solamente las D60-75 y las Wishcombe son realmente sin retroceso siendo esta última el máximo exponente en cuanto a configuración y prestaciones, capaz de desarrollar hasta 40 jls simplemente variando el transfer, a pesar de haber dejado de fabricarse aún se puede encontrar algún ejemplar hoy en día , alcanzando y superando eso si los 6.000€.
Mencionar que a pesar de todo en su momento las D75 no consiguieron imponerse a las místicas fwb300s. Solamente lo consiguió otro modelo el Anschutz 380 Match con un sistema de desplazamiento interno, se desplaza el cañón y la cámara de potencia pero internamente, túnel ,diopter y demás elementos permanecen siempre en la misma posición. Paradojicamente esta máquina de resorte tan evolucionada y desarrollada nació tarde puesto que hizo su aparición al mismo tiempo la Mítica Walther lgr y reescribió la historia del AC en el mundo del tiro olímpico.
Mencionar que a pesar de todo en su momento las D75 no consiguieron imponerse a las místicas fwb300s. Solamente lo consiguió otro modelo el Anschutz 380 Match con un sistema de desplazamiento interno, se desplaza el cañón y la cámara de potencia pero internamente, túnel ,diopter y demás elementos permanecen siempre en la misma posición. Paradojicamente esta máquina de resorte tan evolucionada y desarrollada nació tarde puesto que hizo su aparición al mismo tiempo la Mítica Walther lgr y reescribió la historia del AC en el mundo del tiro olímpico.
-
Abil
- .30-06

- Mensajes: 943
- Registrado: 08 Jun 2017 16:21
- Ubicación: Burgos. Entre Duero y Arlanza.
- Contactar:
- Estado: Desconectado
Re: Pistones contrapuestos sincronizados en resorteras
Gracias por las aclaraciones.
Supongo que la complejidad de mecanismos las pondrán a precio de pcp.
Me sorprende que los chinos no las hayan copiado.
Una lástima que no se sigan fabricando pero el mercado manda.
Supongo que la complejidad de mecanismos las pondrán a precio de pcp.
Me sorprende que los chinos no las hayan copiado.
Una lástima que no se sigan fabricando pero el mercado manda.
Re: Pistones contrapuestos sincronizados en resorteras
Muchas piezas = problemas a la larga y caro, es como un motor eléctrico y de combustión al final lo sencillo se impone
Re: Pistones contrapuestos sincronizados en resorteras
Jajajajjaa, ya me gustaría ver copias chinas!!!!!!.
Una buena fwb300s y las Diana 75 podían andar entre 80.000 y 125.000 pts a finales de los 70 hasta mediados los 80 . Por algo no eran digamos populares en nuestro país
Una buena fwb300s y las Diana 75 podían andar entre 80.000 y 125.000 pts a finales de los 70 hasta mediados los 80 . Por algo no eran digamos populares en nuestro país
-
Abil
- .30-06

- Mensajes: 943
- Registrado: 08 Jun 2017 16:21
- Ubicación: Burgos. Entre Duero y Arlanza.
- Contactar:
- Estado: Desconectado
Re: Pistones contrapuestos sincronizados en resorteras
A mi no deja de sorprenderme que otras marcas no hayan utilizado este sistema.
Supongo que su precisión y su elevado precio las hará ideales para ser imitadas.
A lo mejor en esa época el resorte tocaba a su fin en competición con la aparición de las de precomprimido tipo Gamo MC y los pcp. O a lo mejor la complejidad y las tolerancias necesarias en los mecanizados para un funcionamiento aceptable no dejaba margen suficiente a los chinos. No se, no tengo ni idea.
Supongo que su precisión y su elevado precio las hará ideales para ser imitadas.
A lo mejor en esa época el resorte tocaba a su fin en competición con la aparición de las de precomprimido tipo Gamo MC y los pcp. O a lo mejor la complejidad y las tolerancias necesarias en los mecanizados para un funcionamiento aceptable no dejaba margen suficiente a los chinos. No se, no tengo ni idea.
Re: Pistones contrapuestos sincronizados en resorteras
Si hubo réplica china de las fwb300s, de las Dianas no se atrevieron.
Tengo que discrepar de que en competición el resorte tenía que desaparecer. Pienso que debería de haber, al igual que en otros deportes, motociclismo, bicicleta, atletismo, etc. Distintas categorías en las que poder participar ejemplo, pcp, resorte cañón fijo, resorte quebrar. Todos los entusiastas del AC y del TO en particular podrían competir.
Tengo que discrepar de que en competición el resorte tenía que desaparecer. Pienso que debería de haber, al igual que en otros deportes, motociclismo, bicicleta, atletismo, etc. Distintas categorías en las que poder participar ejemplo, pcp, resorte cañón fijo, resorte quebrar. Todos los entusiastas del AC y del TO en particular podrían competir.
¿Quién está conectado?
Usuarios navegando por este Foro: No hay usuarios registrados visitando el Foro y 63 invitados


