linterna de infrarojos yukon
Publicado: 18 Oct 2012 15:55
Hola , a ver si alguien me puede hachar una manito .
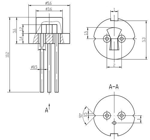
Tengo una linterna de infrarrojos Yukon a la cual se le ha cascado el diodo; me he puesto en contacto con el representante y supuesto servicio tecnico y la única solución que me han dado para sustituir el dichoso diodo es enviarla a la fábrica (bielorrusia) y la verdad para cambiar un puñetero diodo tener que pagar portes de ida y vuelta a bielorrusia como que me parece demasiado. Para cambiar el diodo no es necesario ni soldar nada ni leches es como cambiar una bombilla de una linterna ( tecnologia espacial por lo menos
).
Bueno pues el caso es que no localizo un diodo de infrarrojos de 100 mw. y de longitud de onda de 805 nm.
¿alguien que sepa donde lo puedo encontrar? ; tened en cuenta que ya he preguntado en tiendas de componentes electrónicos de por aquí y en alguna no conocían ni el encapsulado.
Tengo una linterna de infrarrojos Yukon a la cual se le ha cascado el diodo; me he puesto en contacto con el representante y supuesto servicio tecnico y la única solución que me han dado para sustituir el dichoso diodo es enviarla a la fábrica (bielorrusia) y la verdad para cambiar un puñetero diodo tener que pagar portes de ida y vuelta a bielorrusia como que me parece demasiado. Para cambiar el diodo no es necesario ni soldar nada ni leches es como cambiar una bombilla de una linterna ( tecnologia espacial por lo menos
Bueno pues el caso es que no localizo un diodo de infrarrojos de 100 mw. y de longitud de onda de 805 nm.
¿alguien que sepa donde lo puedo encontrar? ; tened en cuenta que ya he preguntado en tiendas de componentes electrónicos de por aquí y en alguna no conocían ni el encapsulado.


